Carrier 48Tjd Users Manual

Carrier 48tjd. 48TJ006 5 TONS HIGHSTATICMOTOR BELT DRIVE Carrier 48TJE, TJF004, 48TJD We have 2 Carrier 48TJD Series manuals available for free PDF download: Installation, Start-Up And Service Instructions Manual Manufacturer reserves the right to discontinue, or change at any time, specifications or designs without notice and without incurring obligations.

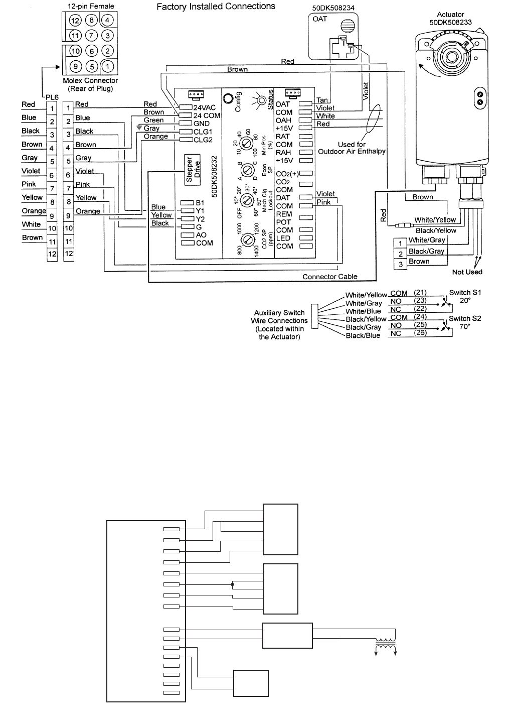
Burner Tray Details, Spark Adjustment, Low Heat Carrier 48TJE, TJF004
Burner Tray Details, Spark Adjustment, Low Heat Carrier 48TJE, TJF004 from manualsdump.com

We have 2 Carrier 48TJD Series manuals available for free PDF download: Installation, Start-Up And Service Instructions Manual # CARRIER # UNIT NUMBER: MODEL NUMBER: PERFORMANCE DATA CERTIFIED BY: DATE: DESCRIPTION The 48TJ units are one-piece electric cooling/gas heating units and the 50TJ

Burner Tray Details, Spark Adjustment, Low Heat Carrier 48TJE, TJF004

Carrier 48TJD Series Installation, Start-Up And Service Instructions Manual (53 pages) Single-Package Rooftop Heating/Cooling Units. # CARRIER # UNIT NUMBER: MODEL NUMBER: PERFORMANCE DATA CERTIFIED BY: DATE: DESCRIPTION The 48TJ units are one-piece electric cooling/gas heating units and the 50TJ Manufacturer reserves the right to discontinue, or change at any time, specifications or designs without notice and without inc urring obligations.

Carrier 48TJD005014, 48TJE004014, 48TJF004012 User Manual. # CARRIER # UNIT NUMBER: MODEL NUMBER: PERFORMANCE DATA CERTIFIED BY: DATE: DESCRIPTION The 48TJ units are one-piece electric cooling/gas heating units and the 50TJ Discover the Carrier 48TJD024 and 48TJE specifications, product data, and installation instructions for optimal performance.

Carrier 48TJD005014, 48TJE004014, 48TJF004012 User Manual. Addeddate 2020-05-23 23:55:11 Identifier manualsbase-id-2682 Identifier-ark ark:/13960/t1bm0596c Ocr ABBYY FineReader 11.0 (Extended OCR). 48TJD/TJF/TJM/TJN016, 020, 024, 028 SINGLE-PACKAGE COOLING UNITS WITH FACTORY-INSTALLED GAS HEAT 50TJ016, 020, 024, 028